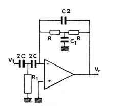
The components of this filter are calculated using conventional formulas (see mathematics section of the website) and it can be implemented with almost any operational amplifier like the 741. The power source must be symmetrical.

The components of this filter are calculated using conventional formulas (see mathematics section of the website) and it can be implemented with almost any operational amplifier like the 741. The power source must be symmetrical.
