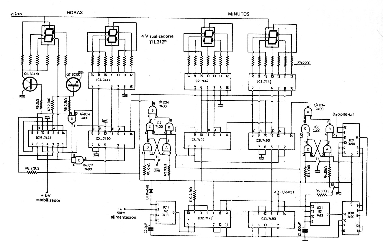
This basic TTL watch and minute clock circuit was found in European documentation from the 1970s. The power supply is not included and is given in CB19635E. The circuit uses common anode displays.
We found this configuration in a Radio Electronics from 1989. The circuit can be designed with...
This interesting configuration was found in a 1965s Electronic Design. It makes use of components of...
This circuit is from old American documentation intended to trigger the flash of a camera flash with...