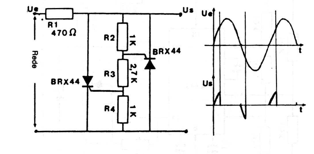
This circuit generates high pulses from a sinusoidal input, using SCRs for this purpose. The pulses are positive and negative, as shown in the figure and the SCRs admit equivalents.
The LM567 is a PLL tone decoder that can also be used as a double oscillator as shown in the...
Originally designed to analyze the shape of light pulses from a flash for photographic...
This interesting control circuit was found in an Electronics Now from 1988. Through it we can...