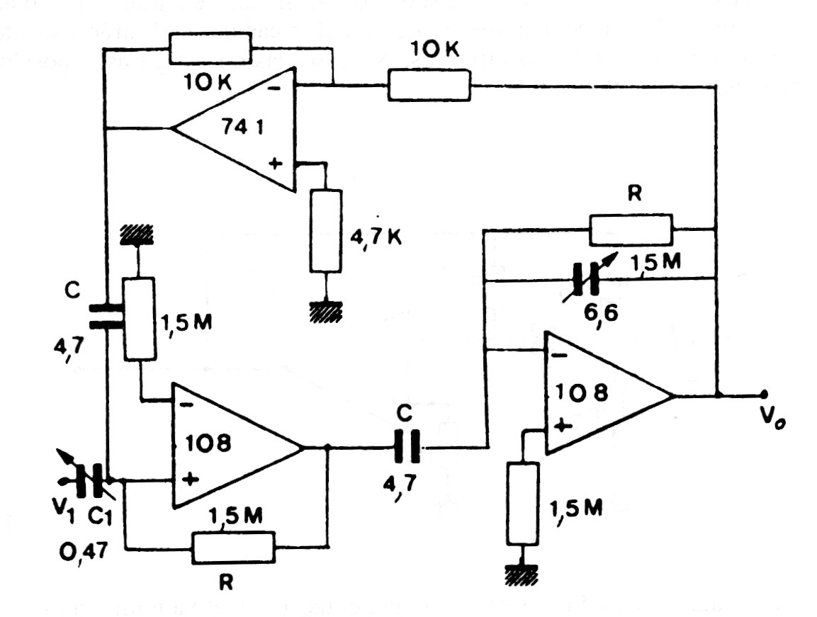
This filter has a cutoff frequency of 0.026 Hz given by R and C. These components can be calculated for other frequencies using the formula w = 1 / RC. Equivalent operational amplifiers can be used, and the power source must be symmetrical.
This filter has a cutoff frequency of 0.026 Hz given by R and C. These components can be calculated for other frequencies using the formula w = 1 / RC. Equivalent operational amplifiers can be used, and the power source must be symmetrical.