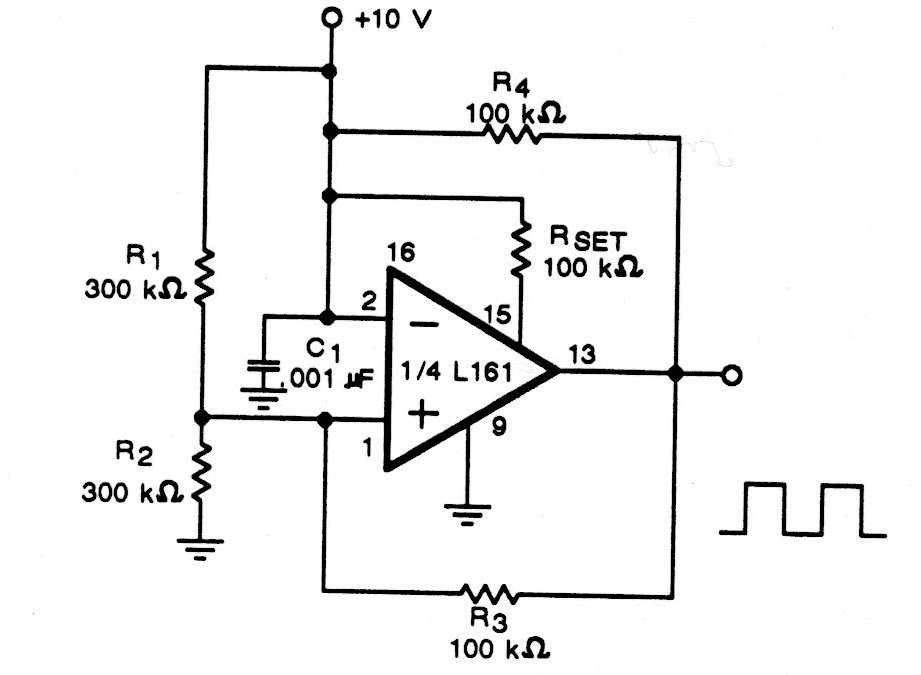
The integrated circuit used in this 90's circuit is not common today, but the configuration can be adapted to operate with modern components. The circuit does not require a symmetrical source and the frequency is given by C1.
The integrated circuit used in this 90's circuit is not common today, but the configuration can be adapted to operate with modern components. The circuit does not require a symmetrical source and the frequency is given by C1.