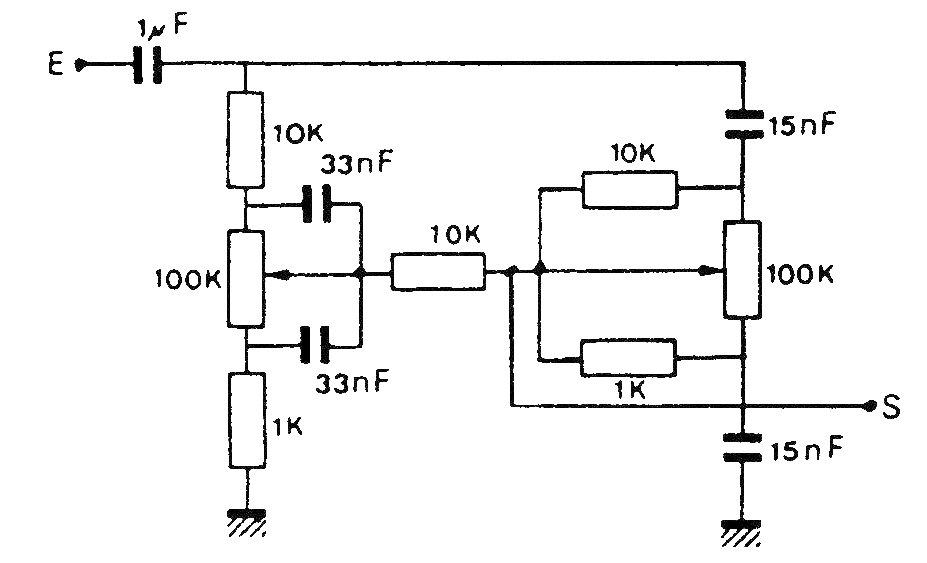
This circuit appears in several versions on this site. It is designed to be used between the output of a preamplifier and the input of an audio amplifier. The losses of signal strength must be compensated.
This circuit appears in several versions on this site. It is designed to be used between the output of a preamplifier and the input of an audio amplifier. The losses of signal strength must be compensated.