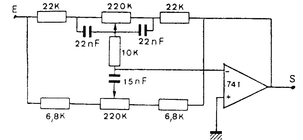
We found this circuit, which appears with variations on this site, in a European documentation from the 90's. The circuit must be powered by a symmetrical source and other operational ones can be used.
We found this circuit, which appears with variations on this site, in a European documentation from the 90's. The circuit must be powered by a symmetrical source and other operational ones can be used.