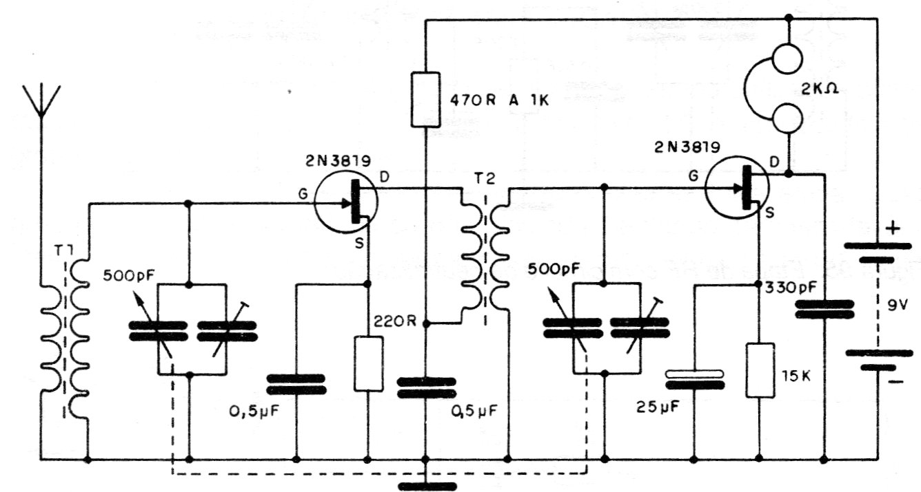
This receiver, which, depending on the coil, can receive medium or short waves, was found in a documentation on 80's FETs. The FETs can be the BF245 or MPF102 still current. The handset must be of high impedance and the T2 transformer has characteristics slike to T1 according to the tuned waveband.




