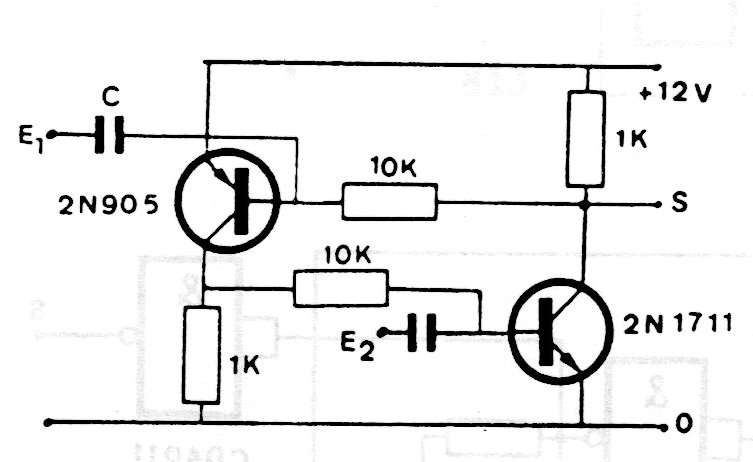
This trigger circuit is from 80s documentation. Transistors support equivalents and capacitors depend on the type of trigger signal.
This circuit fires when the light intensity on the sensor drops below a certain level. The trigger...
This circuit consists of a decoder for remote control that allows the activation of 10 channels based...
This circuit is used to test PNP or NPN transistors giving the status indication through LEDs. The...