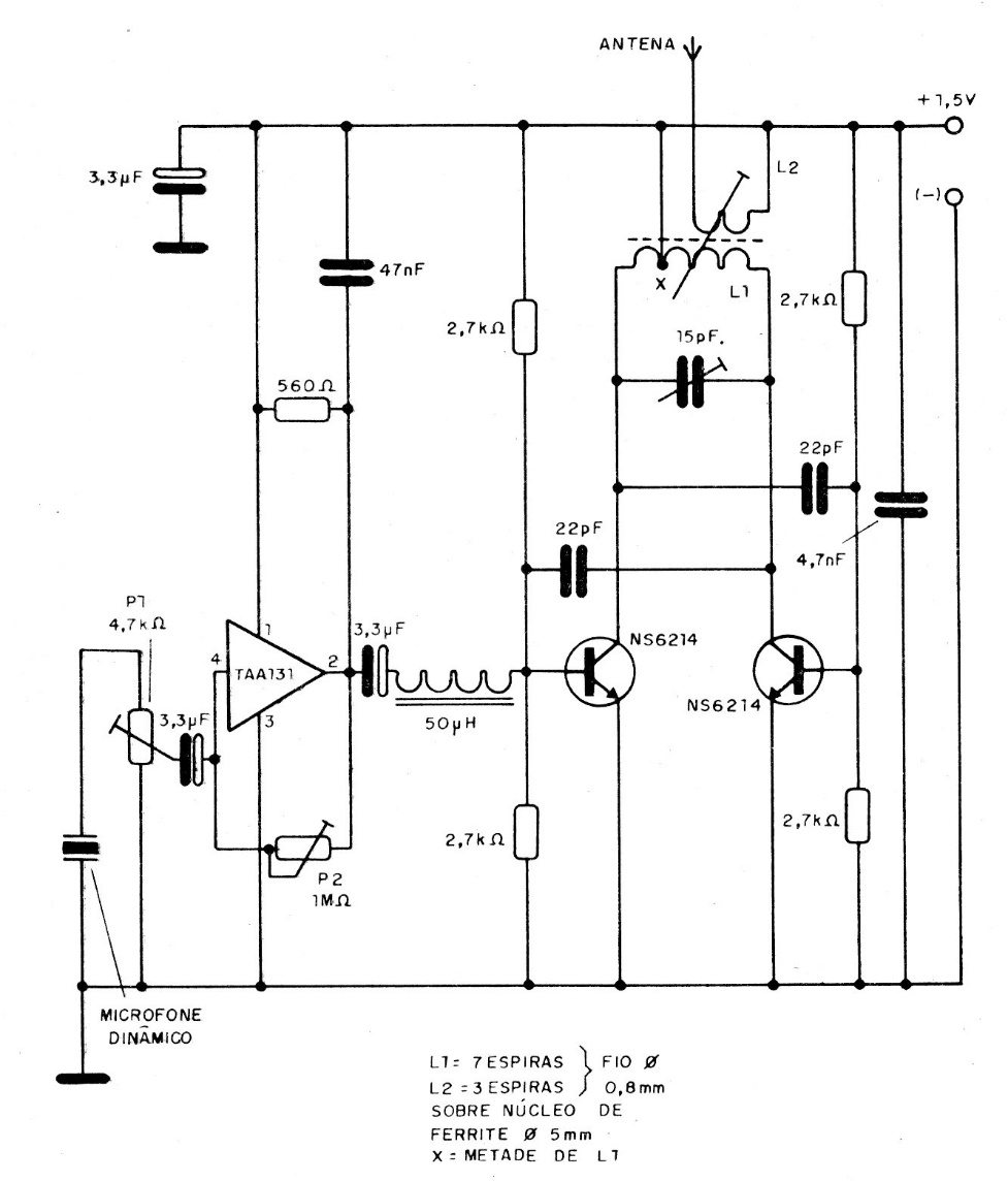
This transmitter with counterphase oscillator was obtained in a documentation from the 90s. The circuit has a modulating IC that is not very easy to obtain today. Details of the coils are given next to the diagram.
This transmitter with counterphase oscillator was obtained in a documentation from the 90s. The circuit has a modulating IC that is not very easy to obtain today. Details of the coils are given next to the diagram.