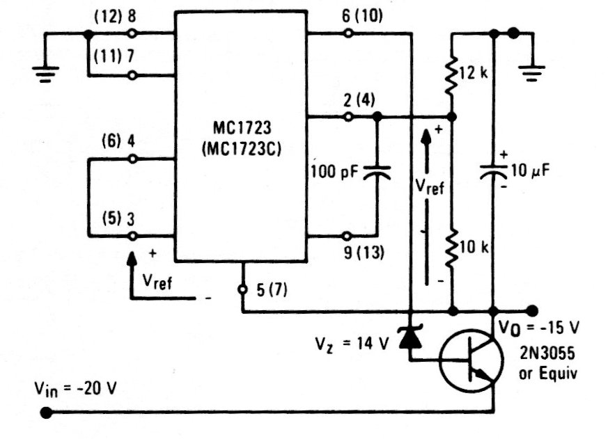
We found this circuit in a documentation from the 90s. The integrated circuit is the Motorola equivalent of the 723 and the transistor can also be the TIP31, which must be equipped with a heat sink.
We found this circuit in a documentation from the 90s. The integrated circuit is the Motorola equivalent of the 723 and the transistor can also be the TIP31, which must be equipped with a heat sink.