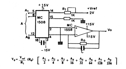
This digital-to-analog converter uses an unusual integrated circuit currently used in conversion. The operational can also be equivalent. The circuit is from 90's documentation.

This digital-to-analog converter uses an unusual integrated circuit currently used in conversion. The operational can also be equivalent. The circuit is from 90's documentation.
