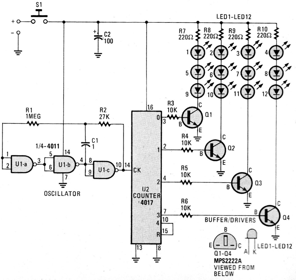
The idea of wearables is not new and does not necessarily need to be implemented with microcontrollers and other modern features. This idea of a sequential to be used in a tiara or cap is from an American publication from 1984. The transistors can be the BC548 and the power supply is made up of 4 batteries or 9 V battery.




