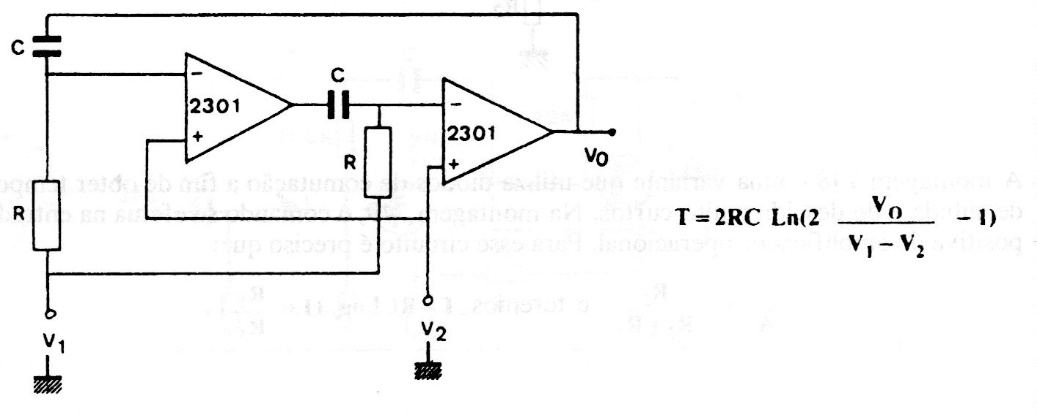
This variable has its frequency controlled by voltages V1 and V2. The circuit is based on documentation from the 1980s and can be implemented with modern operational amplifiers. The power supply must be symmetrical.
This variable has its frequency controlled by voltages V1 and V2. The circuit is based on documentation from the 1980s and can be implemented with modern operational amplifiers. The power supply must be symmetrical.