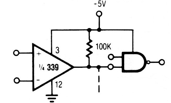
In the figure we have the way to use a comparator of the LM339 series in the excitation of CMOS inputs. The circuit is used in several configurations shown on this website.

In the figure we have the way to use a comparator of the LM339 series in the excitation of CMOS inputs. The circuit is used in several configurations shown on this website.
