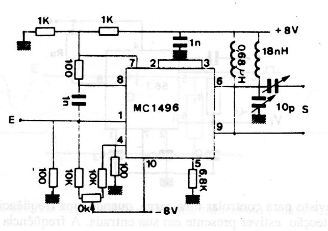
The MC496 integrated circuit used in this application is not common today. Motorola's circuit doubles the frequency of a signal and the other components are somewhat critical, especially the coils.
The MC496 integrated circuit used in this application is not common today. Motorola's circuit doubles the frequency of a signal and the other components are somewhat critical, especially the coils.