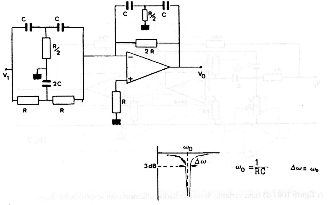
This high selectivity or high-Q filter can be implemented with almost any operational amplifier. The source must be symmetrical and the formula for calculating the components is given along with the diagram and response curve.
This high selectivity or high-Q filter can be implemented with almost any operational amplifier. The source must be symmetrical and the formula for calculating the components is given along with the diagram and response curve.