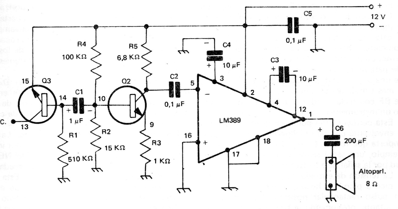
The integrated circuit used in this project is unusual and it includes internal transistors that can be used discreetly, as in this case. The circuit is from 1970s documentation, but it can be implemented with modern components and minor changes.
The integrated circuit used in this project is unusual and it includes internal transistors that can be used discreetly, as in this case. The circuit is from 1970s documentation, but it can be implemented with modern components and minor changes.