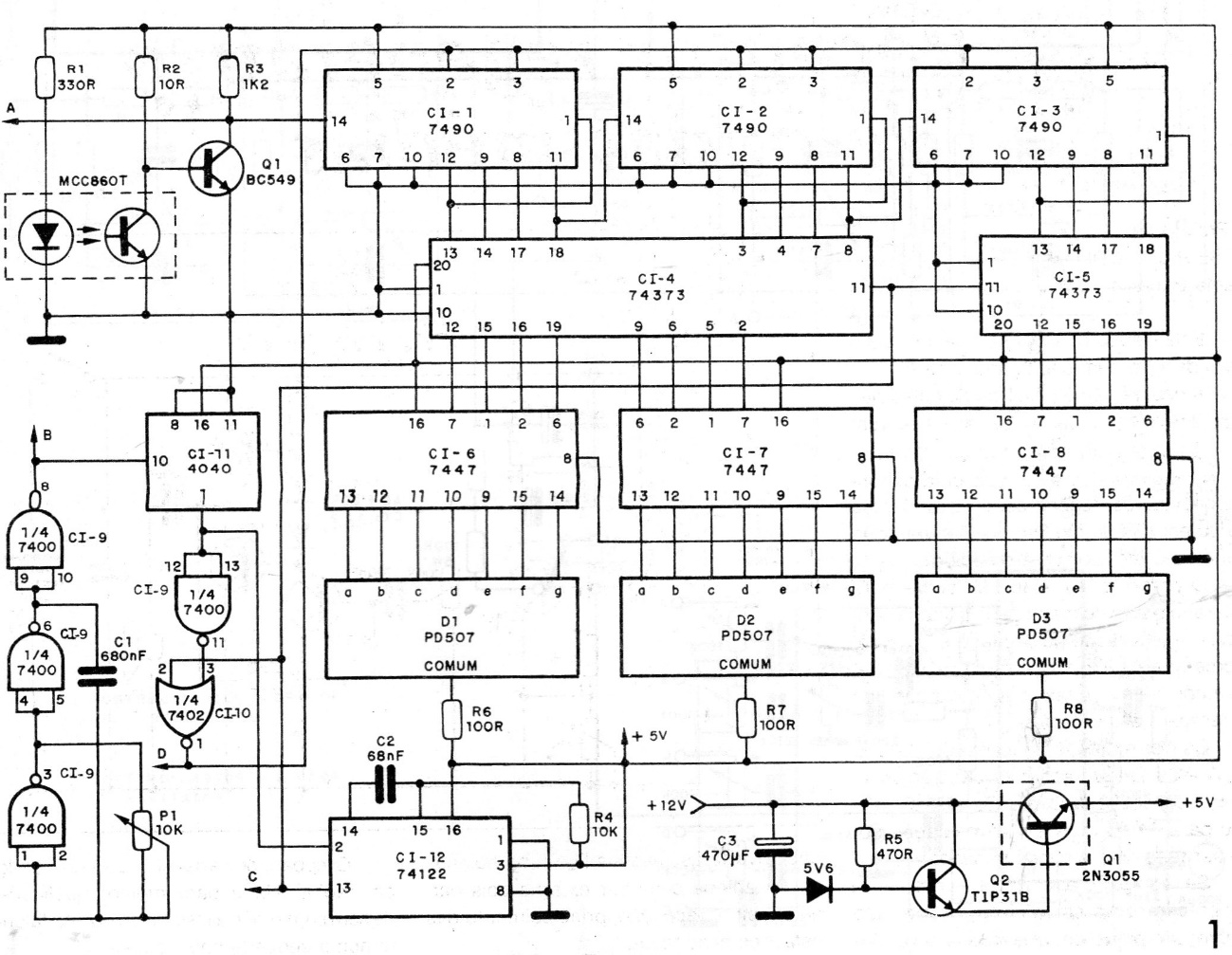
This circuit, found in a 1986 documentation, uses an optical sensor to count pulses and, in its function, show speed on a 3-digit display. The displays are of common cathode and the technology used is TTL which requires a 5 V supply. The circuit has a counter that allows adaptation to vehicles that already have a common speedometer. The power transistor of the source must have a heat sink.




