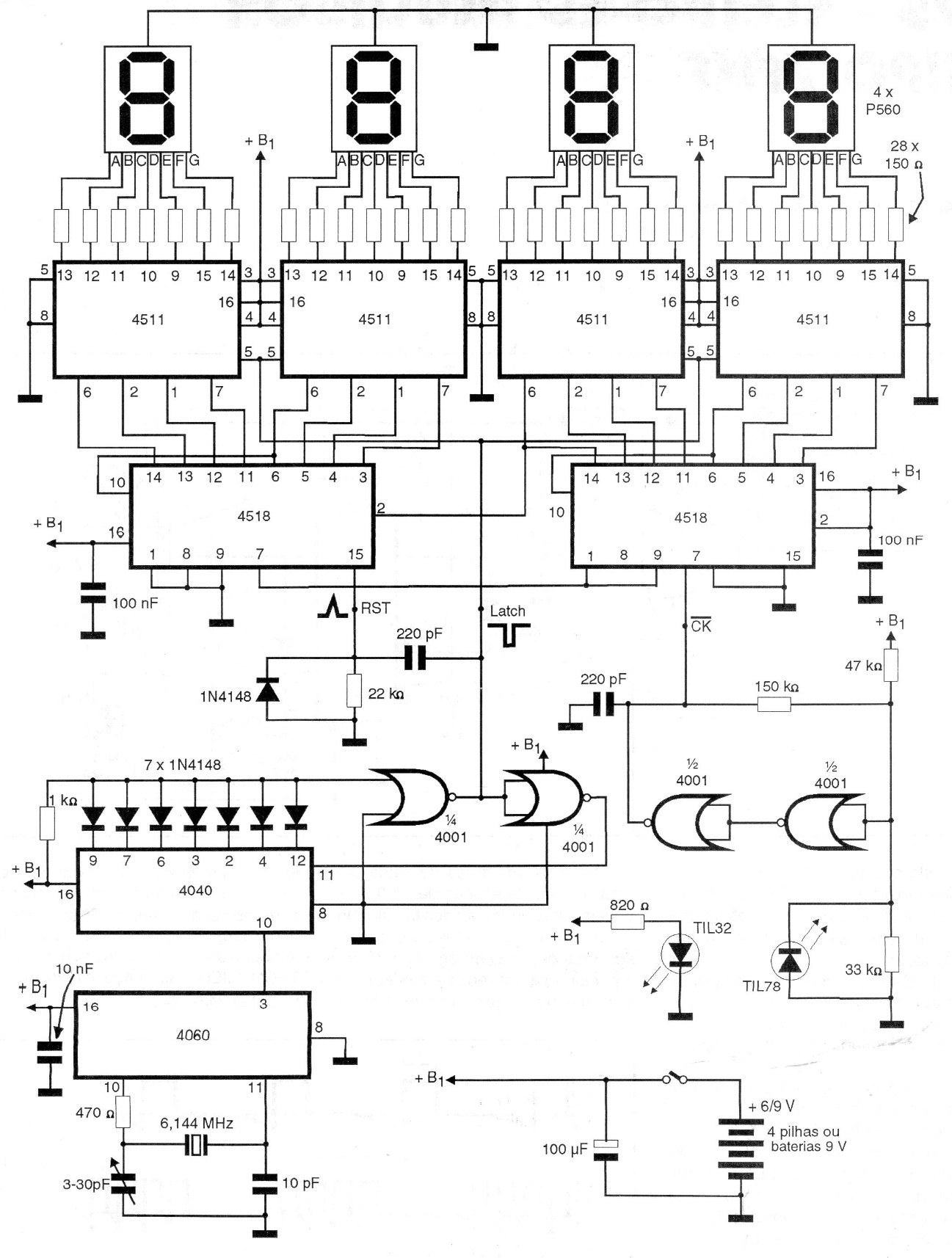
This 4-digit counter was found in a 1997 documentation. It uses CMOS integrated circuits and can work with voltages of 6 or 9 V. The displays are of common cathode and the input signal must be rectangular free from bouncing. We recommend using medium or large batteries, or even a source, given the consumption of the displays.




