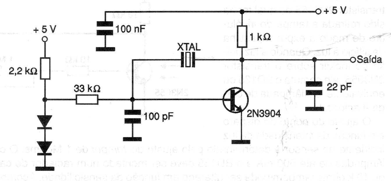
This crystal oscillator generates a 20 MHz signal. Equivalent transistors such as BF494 and 2N2222 can be used. The stabilizing diodes can be 1N4148.
The movement of the indicator needle indicates when something or someone approaches the sensor, an...
This circuit was found in an Electronic Design from 1968. Its purpose is to produce synchronized trigger...
Using the CMOS IC 4046 we found this VCO in the November 1984 Radio Electronics magazine. The...