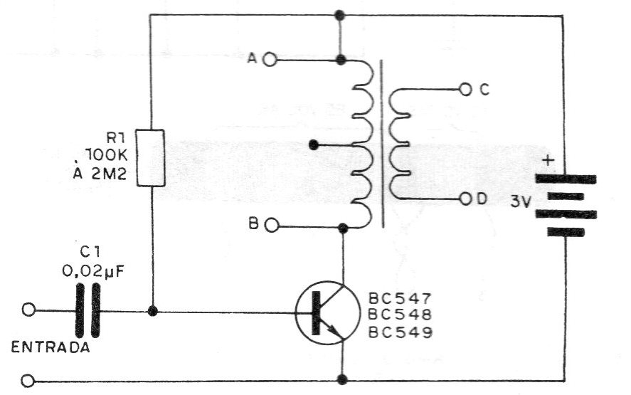
We have here an ultra-simple amplifier stage of just one transistor, which can have some uses on the experimenter's bench. This circuit is from 1982 documentation. You can use this circuit as a test amplifier to excite a headset or small speaker, you can use it as a reinforcing output stage for headphones on experimental radios or as a follower of audio signals. The gain of the circuit is fixed by the resistor, whose value can be between 100 k and 2M2, depending on the transistor and the transformer. The BC549 transistor is the one that allows greater gain. To determine the exact value of R1, you can use a potentiometer instead (of 2M2) and adjust it until the sound is obtained with greater intensity, without distortion.




