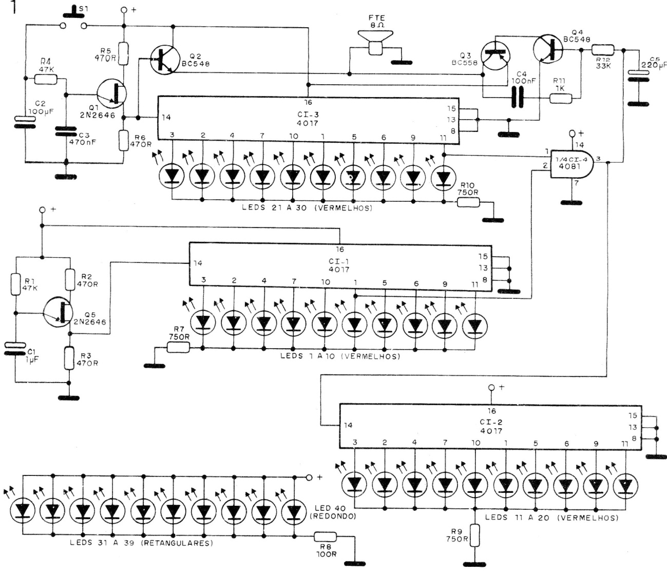
The idea of this circuit is to press the button in such a way that the flow of the LED in the horizontal row hits the LED that moves in the vertical row. The circuit is from a documentation from 1988 and has a very interesting effect and can be assembled in a larger version for parks and fairs. The circuit is from 1988 documentation and makes use of common CMOS components. Given the number of LEDs activated and the high consumption, it is recommended to use a 6 to 9 V power supply.




