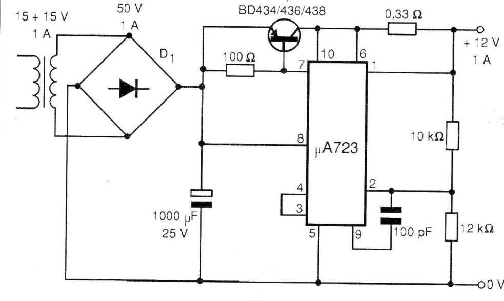
The integrated circuit LM723 or uA723 is one of the most popular in the design of power supplies given its versatility, even if it is not the most modern. In the figure we have a regulating step with this integrated circuit in a 12 V source. The transistor admits equivalent and must be mounted in an appropriate heat radiator. The diode bridge must be specified for 50 V and a current of at least 1 A.




