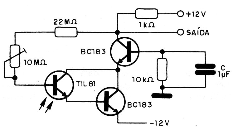
The configuration shown in the figure is suggested by Texas Instruments and supports equivalent transistors. This circuit aims to increase the response speed of the photosensor transistor, which means an improvement in the dynamic characteristics. Transistors can be exchanged for equivalents such as BC548 and the power supply must be symmetrical.




