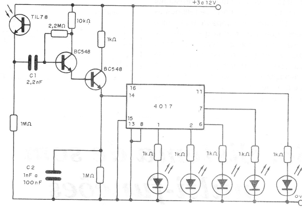
In fact, this 1992 circuit consists of a demonstration circuit of a 5-channel remote control that drives 5 LEDs in sequence. The figure shows both the transmitter and the receiver. For practical application, the LEDs can be replaced by relays. The circuits are powered by batteries and in the case of relays an external source must be used.




