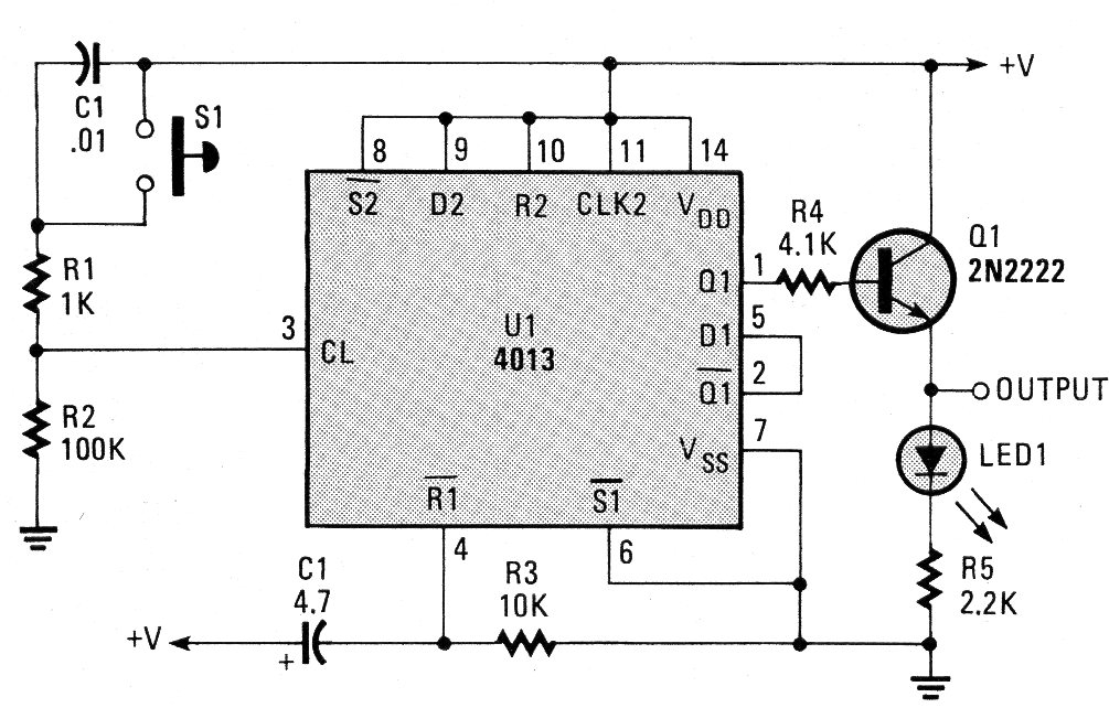
Alternating taps on the pressure switch or sensor, cause the output to alternate the high and low level on this circuit. The output can excite power steps or relays. The 5 to 12 V supply depends on what has been connected to the output. The circuit was found in old American documentation.




