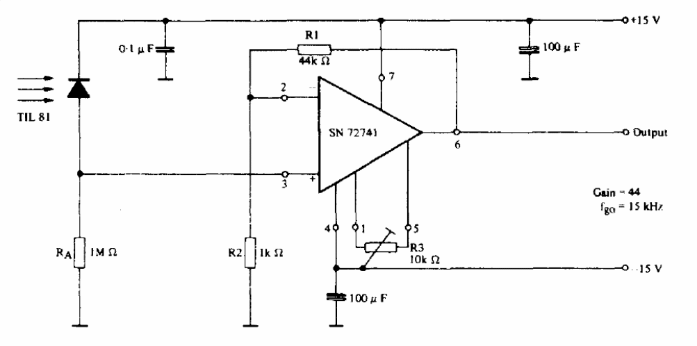
The amplifier gain shown in the figure is given by R1. The circuit is valid for other photodiodes and is suggested by Texas Instruments in an optoelectronics manual. The power supply must be symmetrical.
The amplifier gain shown in the figure is given by R1. The circuit is valid for other photodiodes and is suggested by Texas Instruments in an optoelectronics manual. The power supply must be symmetrical.