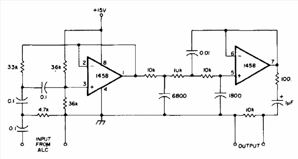
This filter, from an audio publication from 1977, passes the frequency range corresponding to the words, making it ideal for use in telecommunications equipment. The 1458 or MC1458 is a double 741. The signal cables must be shielded.
This filter, from an audio publication from 1977, passes the frequency range corresponding to the words, making it ideal for use in telecommunications equipment. The 1458 or MC1458 is a double 741. The signal cables must be shielded.