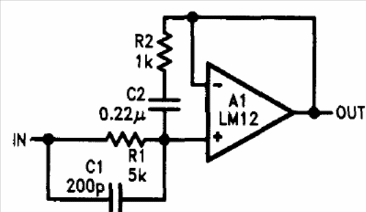
The LM12 integrated circuit consists of a high-power operating system capable of providing 100 W of output. The circuit shown is from the Linear Applications Handbook of the National Semiconductor of 1994. The power source must be 40 V symmetrical and the maximum output current is 4 A.




