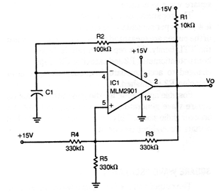
The operational amplifier used in this circuit of an old documentation no longer exists, but the circuit can be implemented with a modern one like 741. The frequency is determined by C1 which can have values between 1 nF and 470 nF. The circuit does not need a symmetrical source and the voltage can be lower for the most modern operating systems. The maximum frequency depends on the operational amplifier used.




