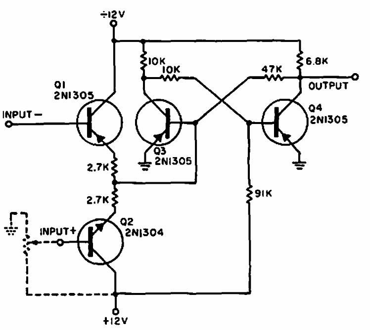
This circuit triggers by choosing the higher of two voltages. The circuit is from a 1964 Electronic Design. The transistors are of the time and can be replaced by current equivalents.
Two 3-terminal regulators like the LM317 can be used to "clip" a sinusoidal signal, in order to...
This 7400 TTL circuit has a memory, keeping the LED on when a pulse is detected. The circuit must be...
This sole beacon which has a battery charged by photocells was found in documentation from 1991....