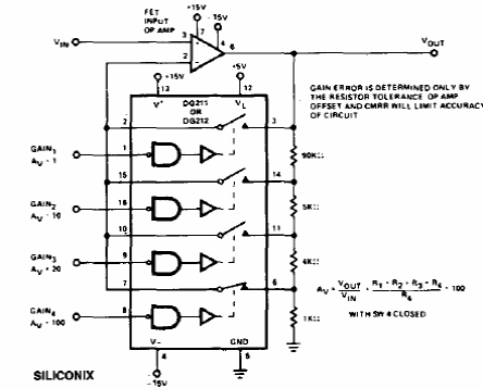
This circuit was obtained in an 80's Siliconix documentation. The circuit can be used as a shield, its gain being digitally controlled. The supply is symmetrical at 15 V but operating at lower voltage can be used.

This circuit was obtained in an 80's Siliconix documentation. The circuit can be used as a shield, its gain being digitally controlled. The supply is symmetrical at 15 V but operating at lower voltage can be used.
