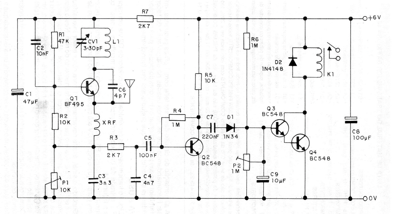
This is the receiver circuit for the previous transmitter. The range of the system can reach 100 meters with favorable conditions. L1 has 5 to 6 turns of wire 22 or 24 in the form of 1 cm without core. The antenna must be 50 cm to 1 meter. The relay is of the sensitive type and the capacitors around BF495 must be ceramic.




