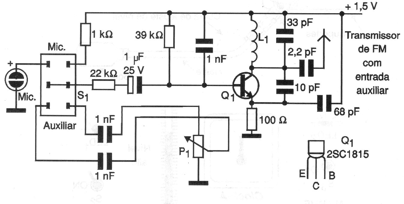
This circuit is from 2001 documentation and consists of a small FM transmitter with two inputs, one for the microphone and the other for an external signal source. The coil consists of 4 turns of 26 or 24 wire in the form of 1 cm without core and the supply can be made with voltages of 1.5 or 3 V. The non-polarized capacitors must be ceramic.




