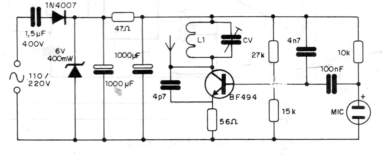
This spy transmitter can be plugged directly into a power outlet. The power comes from a regulated capacitive reducer and the range can reach a few hundred meters. The coil consists of 4 coils of wire 26 or 28 in the form of 1 cm without core.
This spy transmitter can be plugged directly into a power outlet. The power comes from a regulated capacitive reducer and the range can reach a few hundred meters. The coil consists of 4 coils of wire 26 or 28 in the form of 1 cm without core.