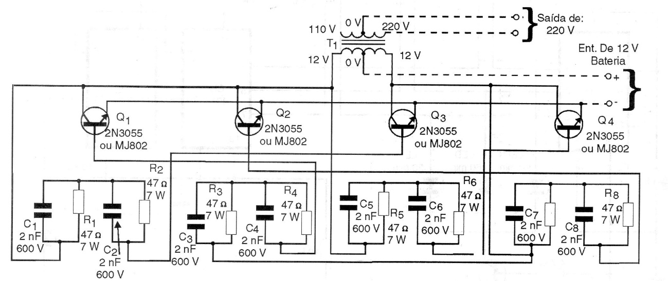
Depending on the transformer used, the power of this inverter can reach 300 W. This is a critical circuit where the power transistors must be equipped with excellent heat sinks. The output voltage depends on the transformer. The output signal is not sinusoidal, nor does it have exactly 60 Hz. The circuit is from 1997 documentation.




