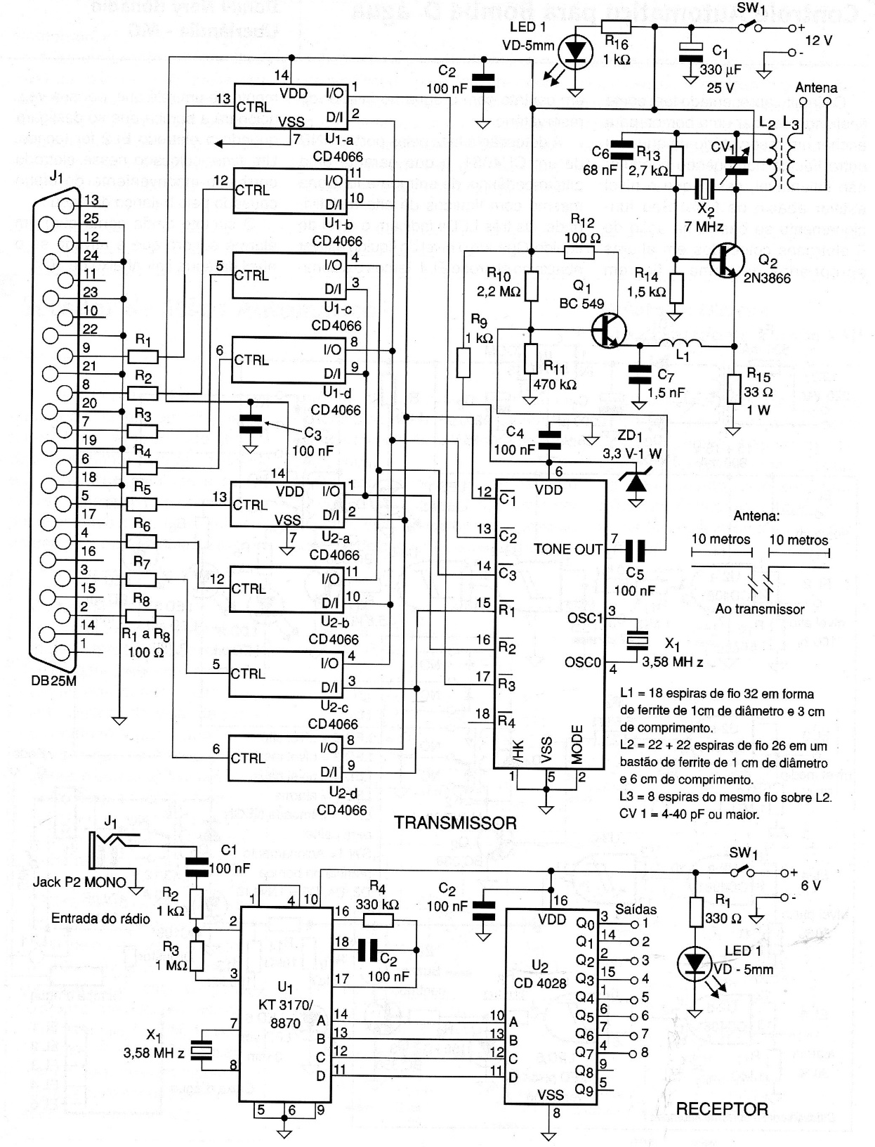
This circuit is very interesting due to the range of practical applications it can have, from automation to robotics. It can also be adapted to become an excellent control shield for microcontrollers. The ease of access to PC signals through the parallel port is the main advantage that this project also provides for didactic applications since the programming is open.




