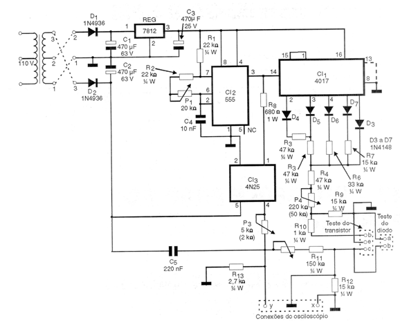
This circuit generates a ladder signal to display on an oscilloscope the family of curves for different devices such as transistors, diodes, etc. The circuit is from 1997 documentation, but it can be easily assembled, as all components are common in our market. Adjustments for correct viewing are made in pots or trimpots.




