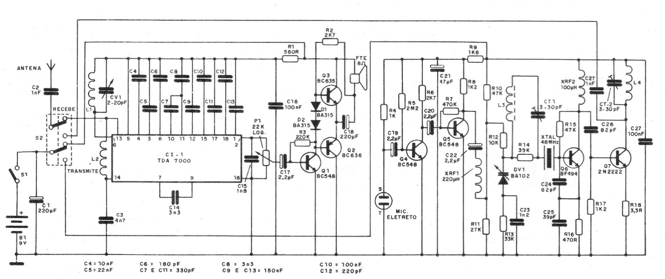
This wireless intercom has a range of about 300 meters using an integrated circuit that is not very common today. L1 consists of 3 turns of wire 23 with a diameter of 8 mm, L2 consists of 2 turns of wire 23 with a diameter of 3 mm. L3 has 8 turns of wire 23 in a 5 mm diameter ferrite. XRF1 is a 220 uH microshock and XRF2 is a 100 uH microshock. Power is provided by medium or large batteries.




