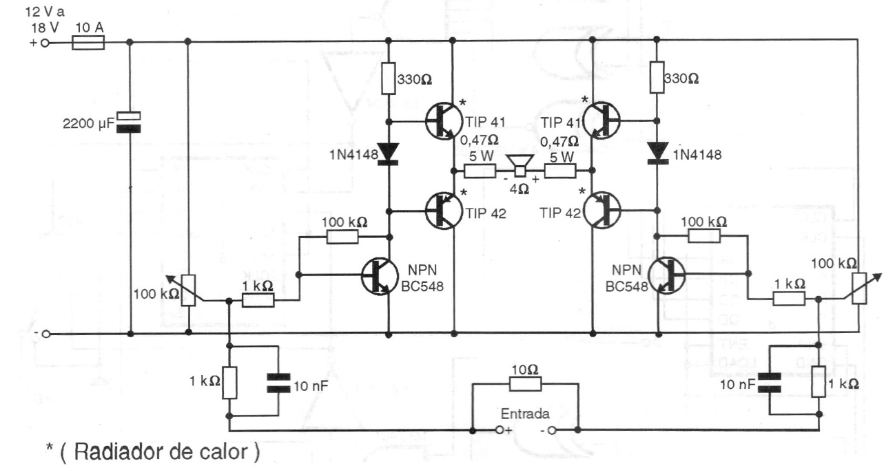
We found this powerful amplifier that uses common transistors in a 1998 documentation. The power transistors, which are bridged, must be equipped with excellent heat sinks. The trimpot serves to adjust the symmetry of the signal, which must be done with the help of a signal generator and an oscilloscope. The circuit has a high current consumption.




