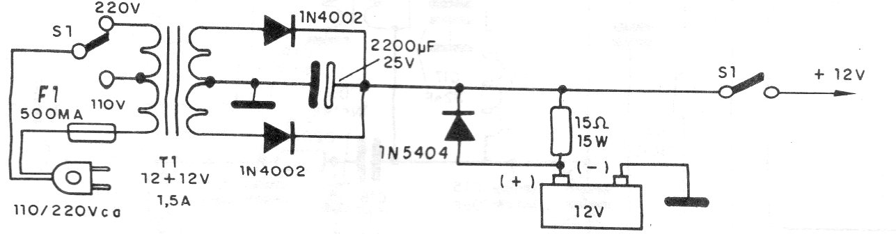
This power supply originally created for the CB16776E project but can be used for any type of 12 V alarm. The circuit supplies 12 V to the alarm, while keeping a battery charged. When the power is cut, the battery continues to supply power to the alarm circuit.




