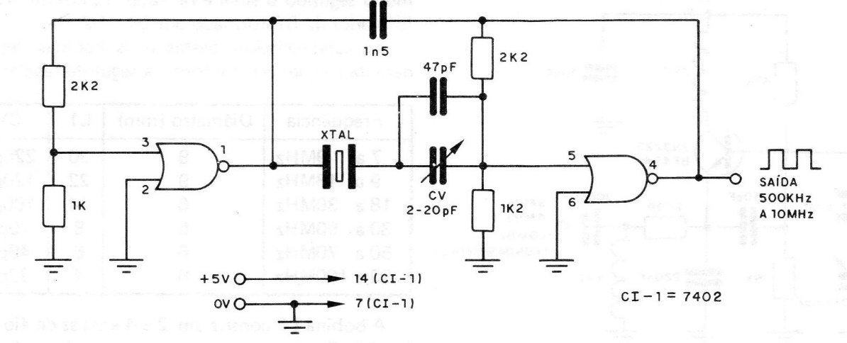
This circuit differs from the previous ones by using the 7402, which consists of 4 two-inputs NOR gates. The crystal used is also for the fundamental frequency and can have frequencies in the indicated limits of 500 kHz to 10 MHz. The CV trimmer is used to adjust the operating point and the output obtained is a rectangular signal. This oscillator can also be used to excite TT L circuits, such as counters, frequency meters, etc. The supply must be made with a voltage of 5 V.




