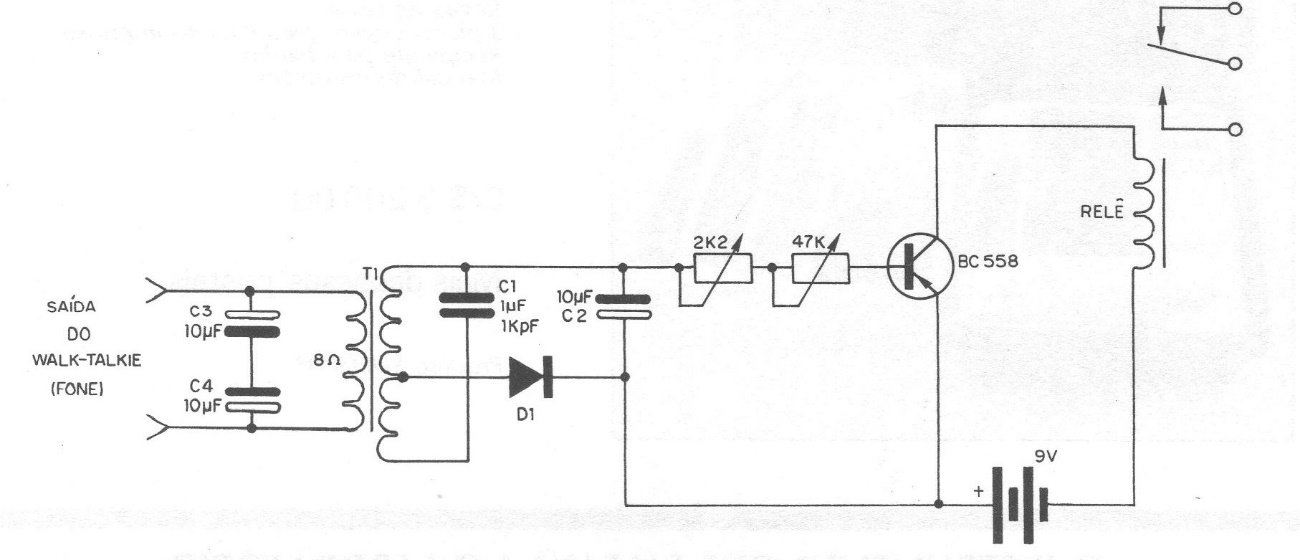
We found this project in a 1982 publication. What we have here is an audio signal relay trigger, which can be connected to the output of a walk-talkie, to control any device with higher power. Connected to the output of a walk-talkie, as suggested by the author, when whistling close to the transmitter, we will have the relay trigger and the consequent activation of the remote device. The transformer in this assembly matches the impedance between the output of the waIk-talkie and the input of the amplifier, of a transistor. This transformer is an output type for transistors, with approximately 1 k of primary impedance. The author originally used an AC128 germanium transistor in the project, but general-purpose silicon PNP transistors can be tried out. The potentiometers or trimpots at the base of the transistor allow the adjustment of the ideal operating point, the smallest functioning as fine adjustment.




