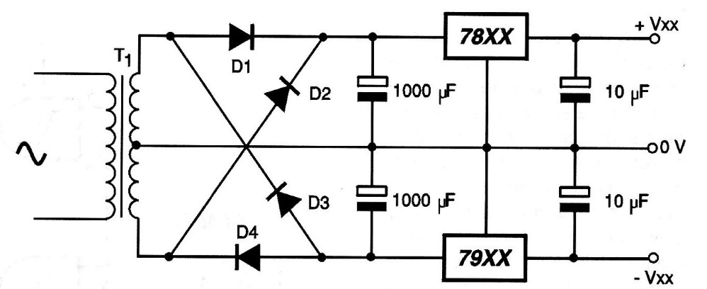
The voltage of this symmetrical power supply depends on the regulating integrated circuits, which can be 7806, 7809, 7812 or 7815 for voltages of 6, 9, 12 and 15 V respectively on the positive side, using the equivalent 79XX on the negative side. The transformer must have a secondary with a voltage of at least 2 V greater than that required at the output and a current of up to 1 A. The integrated circuits must be mounted on heat radiators and the electrolytic capacitors must have working voltages of at least 70% greater than the secondary voltage of the transformer.




