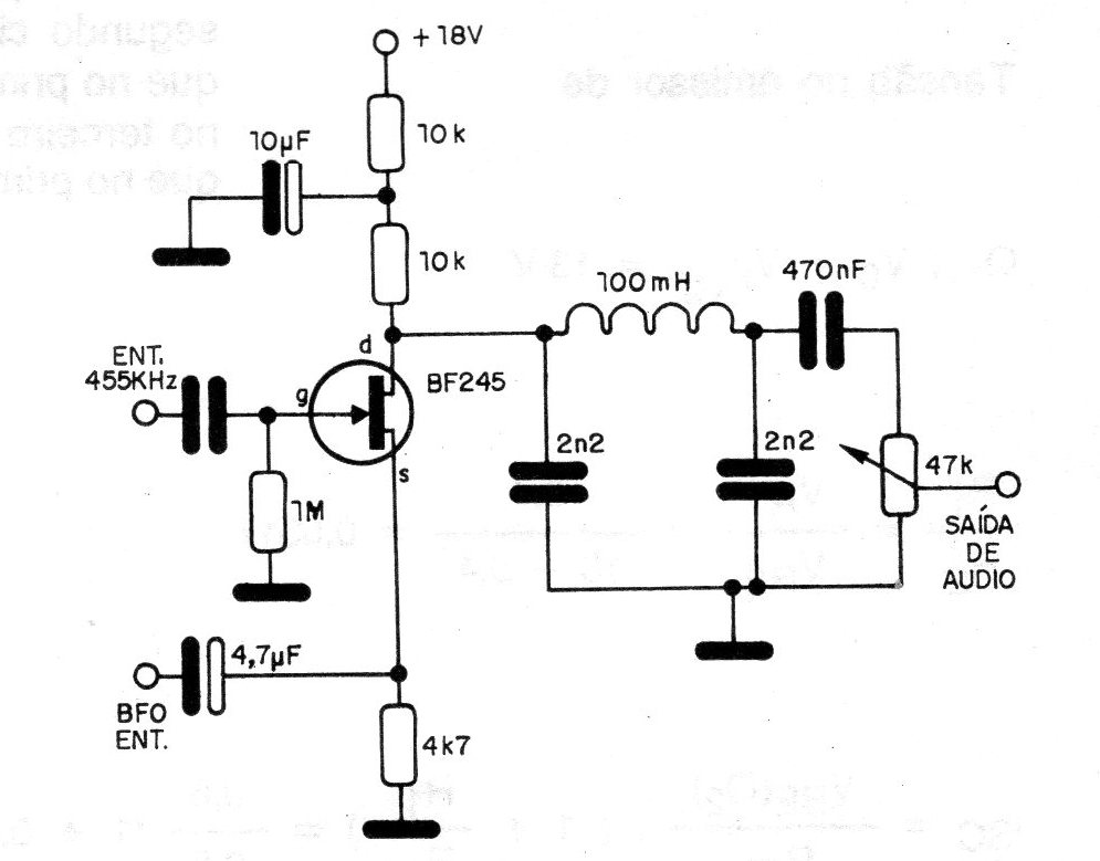
This linear characteristic circuit is based on a junction field effect transistor. The FI and BFO signals are combined to obtain an output equal to their product, whose intensity can be adjusted in the 47k potentiometer. Smaller capacitors should preferably be made of mica for greater operational stability and electrolytic capacitors should have a working voltage of 25 V or more. The power comes from a 15 V source with a current of about 1 mA, as shown in the figure.




