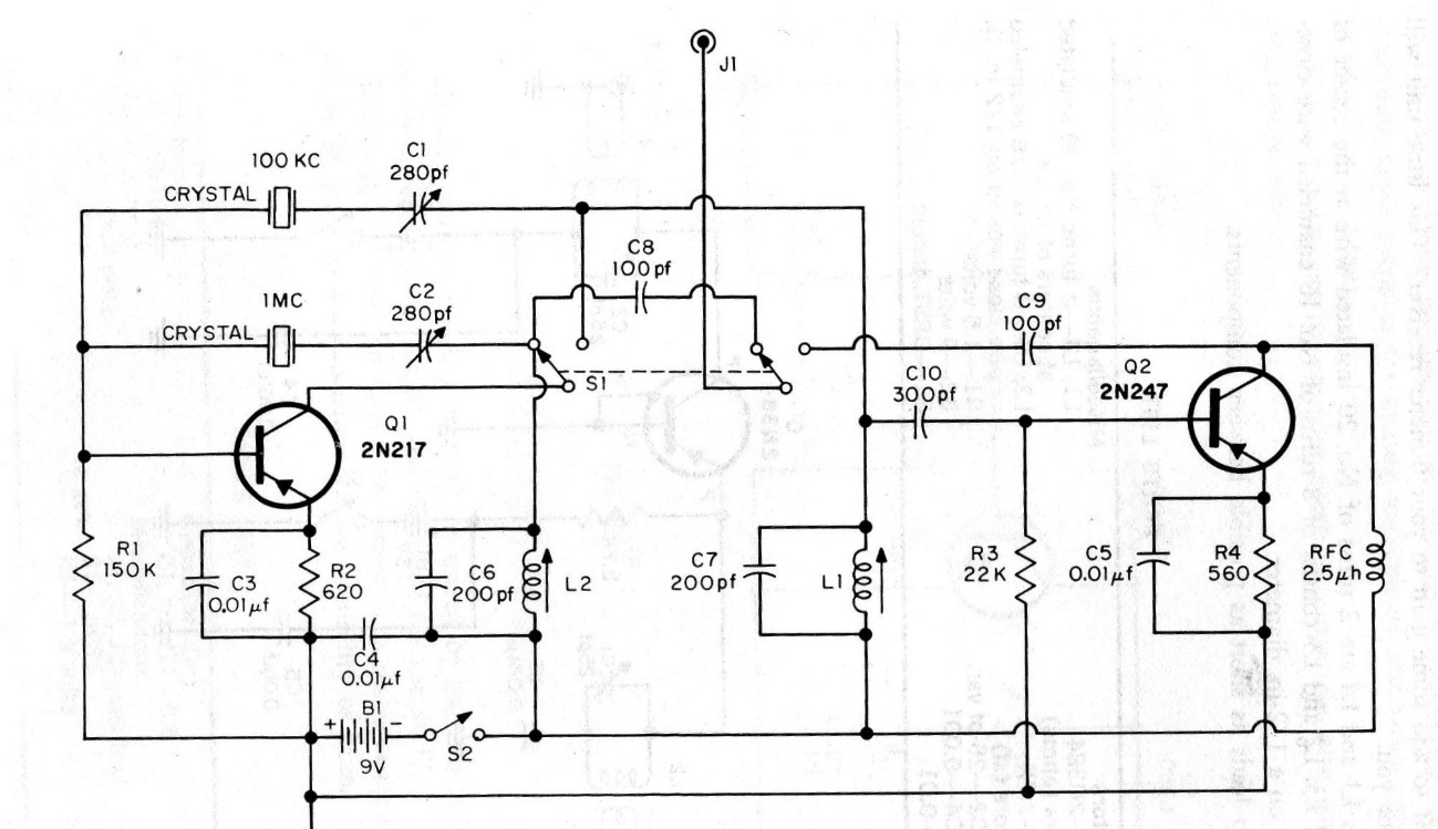
We found this circuit in old American documentation. It can be implemented with more modern transistors like the BC558. The circuit generates fixed signals according to the frequency of the crystals. L1 and L2 are RF coils approximately 1 mH.
We found this circuit in old American documentation. It can be implemented with more modern transistors like the BC558. The circuit generates fixed signals according to the frequency of the crystals. L1 and L2 are RF coils approximately 1 mH.