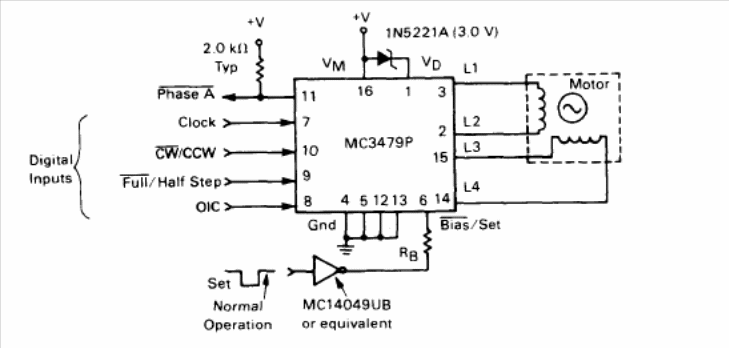
This stepper motor circuit was found in Motorola's Linear Databook of 1990. The circuit is of low power, and the component's datasheet should be consulted for more information. The digital inputs must have voltages according to the one used in the supply.




