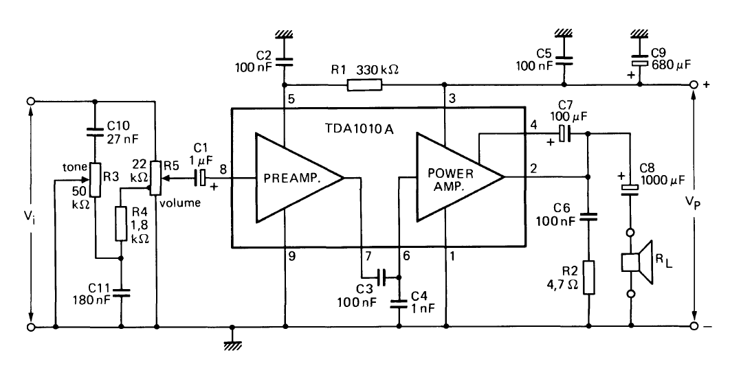
This circuit was obtained in the Philips integrated circuits manual of 1990. The indicated power is 14.4 V, and the power depends on the load that can be between 2 and 16 ohms.
This transistor source was found in a 1990 documentation. 2N3055 transistors must be equipped with...
This tube circuit is from an 80's documentation. The filter is of the selective type and the...
This general-purpose two-transistor circuit was found in the November 1993 issue of Electronics Now. The...