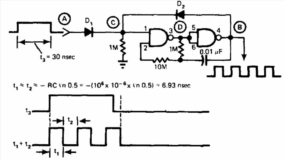
We found this circuit in a 1973 technical documentation. The circuit is implemented with the doors of a 7400. The supply must be made with 5 V and the frequency generated depends on the crystal.
We found this circuit in a 1973 technical documentation. The circuit is implemented with the doors of a 7400. The supply must be made with 5 V and the frequency generated depends on the crystal.